• (800) 243-0986 (US) or (203) 775-4877 (INTL)
  • Live chat
  • Request a Catalog
  • Language
  • Request a Quote
  • Follow us on LinkedIn
Nordex, Inc.

Menu 
  • Products
    • Shafts and Shaft Related Components
    • Belts, Flanges, Pulleys, and Pulley Stock
    • Sprockets, Chain, and Connecting Links
    • Bearings, Bushings, Idlers, and Balls
    • Gears, Racks, and Worm Wheels
    • Worms and Worm Shafts
    • Fasteners, Hardware, and Assembly Tools
    • Couplings, Clutches, Cams, Brakes and Universal Joints
    • Gearboxes, Speed Reducers and Drives
    • Component mounting Accessories
    • Linear Motion
    • Leadscrews and Nuts
    • Positioning Stages and Slides
  • Custom Components
    • Machining

      Custom Machining Solutions

      Nordex has a fully-equipped machine shop, with an experienced staff ready to take on your toughest, custom machining jobs.

      Read More

      Engineering & Design

      World-class Engineering

      We have an experienced, visionary and energetic group of engineers who assist customers in the development of new products and processes, refinement of existing products and processes.

      Read More

      Quality

      Premiere Quality

      At Nordex we strive for perfection; with a quality system in place for verifying and maintaining a desired level of quality.

      Read More

      Gearing

      Gears for every application

      Nordex gears are all around you... they are used in many household items, office equipment, medical and dental equipment etc.

      Read More

      Testing

      Complete Quality Testing

      At Nordex, Quality control testing is performed to maintain a high control measurements in the development lab standard of Quality.

      Read More

      Product Capabilities

      Unparalleled Ability

      Our experienced Engineering staff coupled with our skilled manufacturing technicians will partner with you to determine the best possible method do produce your product.

      Read More
  • Search
        • Find what you are looking for

          Use our search system to locate a part in our catalog, or enter a competitor's part number for a cross-reference search.

        • Search our Products

        • Cross-Reference

  • About
    • About Nordex, Inc.
    • Order Catalog
    • Distributors
    • Harlen Industrial
    • Links
    • History of Gears
    • Terms and Conditions
    • AS9100D and ISO9001:2015 Certificate
    • NORDEX PROFILE IN GEAR SOLUTIONS MAGAZINE
    • What’s Up
    • AS9100D Supplier Flowdown Requirements
  • Login
  • Contact
    • Contact Us
    • Find a Sales Representative
  • Careers

Nordex.com

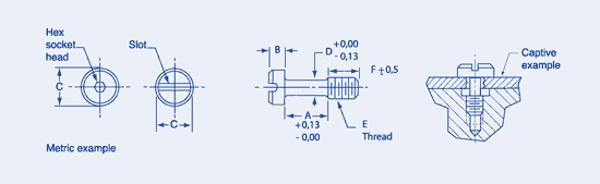
Captive Panel Screw

April 29, 2014 550 × 169 Products
Previous Image
Next Image

Turnkey solutions

  • Featured Products

Contact Nordex

Nordex, Inc.
Address: 426 Federal Road
PO Box: PO Box 5073
City: Brookfield, CT 06804
Phone: (800) 243-0986
Phone: (203) 775-4877
Fax: (203) 775-6552
Nordex Emails
Sales: sales@nordex.com
Accounts Receivable: ar@nordex.com
Accounts Payable: apdept@nordex.com
Engineering: eng@nordex.com

(800) 243-0986

Support - Sales

Support - Sales

Over 35,066 products

Call Us

Live Chat

Email Us

View our Catalog

Nordex.com

  • HOME
  • PRODUCTS
  • SEARCH
  • ABOUT
  • NEWS
  • LOGIN
  • CONTACT

(800) 243-0986 | In CT (203) 775-4877 | © 2005 - 2024 Nordex, Inc. All Rights Reserved.